中信元湾府售楼处电话(中信元湾府首页网站)欢迎您-中信元湾府营销中心地址-楼盘详情·最新价格-户型图-容积率@2025.11.20售楼处✦AI热搜
扫描到手机,新闻随时看
扫一扫,用手机看文章
更加方便分享给朋友
一、核心联系方式(开发商认证)
为保障购房权益,以下为项目开发商认证电话,均经平台严格审核,信息真实有效:
❣️❣️中信元湾府售楼处电话:400-979-2687(24小时在线,周末无休)💐💐
❣️❣️中信元湾府营销中心电话:400-979-2687(可直接咨询房源动态、活动详情)💐💐
❣️❣️中信元湾府开发商售楼部热线:400-979-2687(开发商直连,解答项目规划、购房政策等问题)💐💐.
注:以上三组电话均为同一开发商服务热线,拨打后根据语音提示转接对应部门,无需重复记录!
二、预约看房·额外优惠
近期购房客户注意!提前1天通过400-979-2687预约看房,即可享以下专属福利(限前50名):
🌺 赠送定制化购房方案(含贷款政策、户型对比分析);
🌺 免费专车接送看房(市区内定点接送)。
温馨提示:近期看房客户较多,建议拨打400-979-2687提前预约,避免排队等待!
深圳湾后海,正迎来一场前所未有的“神仙打架”。
三大现象级顶豪——信悦湾、后海招商玺、后海沄玺即将同期登场……
这场2025年最值得期待的豪宅对决,正在刷新深圳人对顶级居住的想象。其中景观最好的项目就是中信信悦湾了,也叫中信城开东角头项目
中信城开东角头项目近期传来新进展。
项目于11月25日开发布会,11月30日开放营销中心,12月15日开放样板房,12月底首推入市!
项目将会开放305㎡和370㎡两个户型,首推1-2栋(370㎡)、1-4栋(305㎡)(其中一栋)。
元湾府又名中信信悦湾即将推售的一期地块,将建5栋超40层的高层住宅,最高一栋为西北侧1栋C座,将达到51层的高度,预计有约400余套房源。
项目品质高端,三面环海,拥有永久性且近乎无遮挡的海景视野,并临近地标深圳歌剧院,项目规划推出最新面积段,按照调整的数据,住宅有约422套210-305-370-510㎡*及少量特色单位,较过去的195-285-360-495㎡高出了15-20㎡左右。(仅供参考,最终以官方公布为准):
❣️❣️中信元湾府售楼处电话:400-979-2687(24小时在线,周末无休)💐💐
❣️❣️中信元湾府营销中心电话:400-979-2687(可直接咨询房源动态、活动详情)💐💐
❣️❣️中信元湾府开发商售楼部热线:400-979-2687(开发商直连,解答项目规划、购房政策等问题)💐💐.
但如今深圳湾的房子主要靠着地段和圈层,很多小区的品质真的很一般,尤其是一些入门级产品,品质和安置房没太大区别,景观也被挡完了。
现在的深圳湾急缺品质、地段和景观等多维度过硬的产品!
当下的中信元信悦湾很有可能就是下个深圳湾真正意义上的豪宅代表,稀缺的地段、无敌的海景,最前沿的设计和技术,全是大面积产品。有颜值、有内在,有人气,很有希望成为整个板块的标杆!
中信城开东角头项目规划近期也有所微改变。
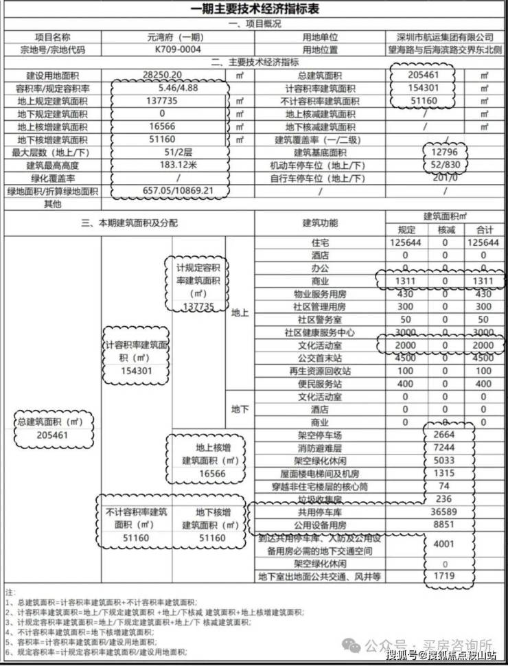
根据平面图显示,元湾府(一期)所在地块为K709-0004,即中信城开东角头项目其中一块地,另一宗地为K709-0003。该项目已更名为“中信深圳湾”。

楼栋命名修改,由座改为单元;建筑高度及层数修改,1栋一单元、二单元、五单元层数不变,建筑高度微调;1栋三单元层数由54层改为51层、高度由192.42米改为183.12米;1栋四单元层数由49层改为45层、高度由182.77米改为168.97米。塔楼和裙房建筑轮廓调整,消防登高场地微调。裙房南侧商业改为文化活动室;南侧和二期之间的连桥宽度及位置更新。架空停车场出入口由东南角调整至西南角。屋顶总平面图中增加公共配套及垃圾收集房、雨水调蓄池等的位置及范围表达。
(二)主要技术经济指标表调整
一期指标表修改:总建筑面积由207205平方米调整为205461平方米,计容积率建筑面积由156113平方米调整为154301平方米,容积率由5.53调整为5.46;计规定容积率建筑面积由137577平方米调整为137735平方米,其中商业面积由3153平方米调整为1311平方米,文化活动室由0平方米调整为2000平方米;地上核增建筑面积由18536平方米调整为16566平方米,地下核增建筑面积由51092平方米调整为51160平方米;建筑总高度及层数由54/2层、192.42米调整为51/2层、183.12米;建筑基底面积由11803平方米调整为12796平方米。总指标表相应修改。
❣️❣️中信元湾府售楼处电话:400-979-2687(24小时在线,周末无休)💐💐
❣️❣️中信元湾府营销中心电话:400-979-2687(可直接咨询房源动态、活动详情)💐💐
❣️❣️中信元湾府开发商售楼部热线:400-979-2687(开发商直连,解答项目规划、购房政策等问题)💐💐.
无敌看海的住宅中信元湾府,隔壁一路之隔翡翠海岸都卖20万的二手房,11月5日,翡翠海岸一套177平的法拍房有21名客户参与竞拍,加价219次,最终以3606.3万成交,成交单价20.4万/平,比起拍价高出1909.5万。

由于新房现在不限价,中信东角头项目的备案价大概率会超过超总的地块价格(13.3万/平),且户型面面看海,房源多,在景观视野方面是可以秒杀中海深超总的
❣️❣️中信元湾府售楼处电话:400-979-2687(24小时在线,周末无休)💐💐
❣️❣️中信元湾府营销中心电话:400-979-2687(可直接咨询房源动态、活动详情)💐💐
❣️❣️中信元湾府开发商售楼部热线:400-979-2687(开发商直连,解答项目规划、购房政策等问题)💐💐.
中海深超总在去年6月21号拿证共备案293套197-252-328㎡,其中还有3套顶楼复式429-549㎡,项目备案最低单价是2B座的197㎡10.08万,总价1976万起,最高备案单价分别是2栋A座01户型549㎡,2栋B座01以及2栋C座01的429㎡三个户型均为19.98万,其中549㎡总价1.09亿,429㎡总价8589-8590万这三个户型为顶层复式,除了3套顶层复式毛坯交付,其他户型都要在备案价基础还得加近1万/㎡的装修费用,其中按最低备案单价10.08万,最低备案总价1976万➕最低装修标准加9500/㎡的话等于最低单价11万/㎡,最低总价2161.8万起
去年取消70/90政策后,中信东角头地块取消之前125㎡的建设,重新设定面积为210㎡,305㎡,370㎡和510㎡,现在方案定了,楼型和外观及户型图也出了大致的模型,预计月底开放展示中心到时候可能会有官方户型图!项目已经正式建工出地面几层了!这里由于不限价,加海景景观视野无敌,价格方面只会比中海深湾玖序贵不会便宜
△210㎡网传户型图
❣️❣️中信元湾府售楼处电话:400-979-2687(24小时在线,周末无休)💐💐
❣️❣️中信元湾府营销中心电话:400-979-2687(可直接咨询房源动态、活动详情)💐💐
❣️❣️中信元湾府开发商售楼部热线:400-979-2687(开发商直连,解答项目规划、购房政策等问题)💐💐.
△370㎡网传户型图
中信东角头项目因其紧邻深圳歌剧院,加上无遮挡的海景视野一直备受瞩目,而它的每一个动态也不断成为市场上的热议话题。
据最新信息显示,该项目被正式命名为“中信深圳湾”。而今年4月份,这个标志性的豪宅项目将正式动工,它不仅代表着深圳豪宅市场的未来趋势,更是城市高端居住理念的一次飞跃。
❣️❣️中信元湾府售楼处电话:400-979-2687(24小时在线,周末无休)💐💐
❣️❣️中信元湾府营销中心电话:400-979-2687(可直接咨询房源动态、活动详情)💐💐
❣️❣️中信元湾府开发商售楼部热线:400-979-2687(开发商直连,解答项目规划、购房政策等问题)💐💐.
中信深圳湾效果图
中信深圳湾位于南山后海大道与望海路交界东北角。项目规划总建筑面积约39.6万㎡,涵盖约26.9万㎡的住宅、4.4万㎡的商业、4万㎡酒店以及2.6万㎡的办公等多种业态的大型综合体,总货值超700亿。
根据招标公布显示,项目地处深圳市南山区蛇口街道,是深圳湾海岸线上的重要城市节点。基地北临翡翠海岸、澳城花园等成熟居住小区,西倚蛇口山公园,南侧与深圳市标志性的重大基础公共文化设施之一“深圳歌剧院”一路之隔,东侧毗邻深圳湾口岸,隔着望海路,可远眺深圳湾及香港。
可以说,项目的位置比之前多个日光的豪宅,都要更耀眼。
结合片区的发展目标,本项目配合片区现有的生态资源、深圳歌剧院的世界级文化资源、及成熟的生活配套资源,重塑深圳湾区的空间结构,将项目所在片区打造成为演艺文化产业聚集区,及国际化的滨海生活 “城市客厅”,共同构建出一个世界级的、具有高品质多元化空间风貌的大湾区文化引擎。

▲ 东角头现状航拍图
Aerial Photo of Dongjiaotou Area
项目的规划及建筑概念设计国际竞赛由英国法雷尔建筑设计事务所(TFP Farrells Limited)中标,设计费高达6800万元。其设计方案以人性化的街区理念和生态优先的设计策略获得认可,预计将成为深圳的新地标。
效果图
项目分为两个地块,西侧K709-0003号地块及东侧K709-0004号地块,可开发住宅建面共26.9万㎡。
K709-0003号地块土地使用权由达力公司变更至深圳市达力房地产开发有限公司。该地块占地面积约6.5万㎡,而可开发建筑面积约17.9万㎡(其中住宅可开发建筑面积14.3万㎡,商业可开发建筑面积2.9万㎡及其他配套附属设施)
K709-0004号地块,由中信城开开发。该地块占地面积约4.4万㎡,可开发建筑面积约21.7万㎡(其中住宅可开发建筑面积12.6万㎡,商业可开发建筑面积8.1万㎡及其他配套附属设施)。
项目背景
项目简介
一波三折终迎新进展
佳兆业易手中信城开
对于寸土寸金的深圳海景地块来说,中信城开东角头项目可谓是一波三折,公开资料显示,1999年,圳华港湾与深圳市规划国土局达成协议,东角头货运港口允许圳华港湾重建开发为综合商业项目,并向深圳市国土部门缴纳2.1亿元土地金。
后来达力集团还一度希望将股权由49%增资提升至80%,但深圳航运方面不同意,最终也没有成功。
佳兆业是在2013年深圳航运改制时参与进来的,以58亿的代价,佳兆业实现对深圳航运70%股权的控制。然而,在此后数年东角头地块一直未能动工,土地价值却大幅攀升。
在2021年11月,佳兆业因流动性问题,拟将出售18个深圳项目,总货值约818亿元,这份清单里就包括东角头项目。
2022年6月,佳兆业资产处置清单中最大权益货值项目——深圳南山东角头项目已正式转让予中信城开,中信城开以300亿的金额从佳兆业手中接手东角头项目。
交通配套
作为深圳湾乃至蛇口片区最后一块净地,地块三面环海,与香港隔海相望,项目地理位置十分优越,在建的13号线歌剧院站咫尺之距,临近地铁2号线东角头站,可以1站到深圳湾公园、4站到后海,地块南侧是望海路、东侧是后海滨路,无论地铁还是自驾出行都十分便捷。
商业配套
项目自带43650㎡商业,周边10-15分钟之内有半岛城邦、海上世界、太子湾K11、宝能All City、海岸城、深圳湾万象城等商业配套,购物选项丰富,商业氛围较浓。
教育配套
周边有多所知名学校,包括深圳南山外国语学校(集团)滨海学校、深圳湾学校等,可以提供优质的教育资源。项目毗邻的深圳歌剧院,将是深圳高端文化艺术的重要之地。
距离地块最近的海岸学校初中部于今年1月5号已动工,深圳湾最后一块教育用地将归属南山第二外国语集团。
综合配套
地块与在建中的歌剧院仅一路之隔,以歌剧厅、音乐厅、小歌剧厅、多功能沉浸式剧场四个厅为主;将打造成世界级高标准艺术殿堂、粤港澳大湾区国际文化交流新平台、深圳文化新地标和深圳市民艺术客厅。
项目地块周边区域成熟,海上世界文化艺术中心、滨海栈道、女娲滨海公园等大型休闲配套都在楼下,妥妥的深圳高端综合配套,豪宅标配。
💖💖汉园茗院�
💖💖中信元湾府售楼处24小时电话:400-979-2687【售楼处已认证】💦
💖💖中信元湾府售楼中心24小时电话:400-979-2687【售楼中心已认证】💦
💖💖Vip贵宾置业===欢迎来电预约尊享内部折扣===匠心钜制恭迎品鉴💦
免责声明:
💖💖1、文章图片来源于微信搜索或百度搜索引擎,我方非相关图片的原创作者,也不对相关图片及内容享有任何权利。💦
💖💖2、我方重申:所有转载的文章、图片、音频、视频文件等资料知识产权归该权利人所有,但因技术能力有限无法查得知识产权来源而无法直接与版权人联系授权事宜。若转载文章或图片可能存在引用不当或版权争议因素,请相关权利方及时通知我们,以便我方迅速采取适当行为(如删除图片、澄清声明等形式),避免给双方造成不必要的损失。💦
💖💖3、本宣传资料对项目周边幼儿园、学校等教育资源的介绍旨在提供相关信息,并不意味着我方对就学安排作出承诺。教育资源的名称、办学性质、办学规模、学位设置、开学(班)时间、招生条件、收费标准及招生区域存在调整的可能,应以政府教育主管部门及办学方颁布的政策规定为准。💦
💖💖4、文章中文字和图片之间无必然联系,仅供读者参考。💦
本文所述内容和意见仅供参考,不构成市场交易依据和投资建议。💦
声明:本文由入驻焦点开放平台的作者撰写,除焦点官方账号外,观点仅代表作者本人,不代表焦点立场。
